Product Summary
The FLM6472-6F is a C-Band Internally Matched FET. The FLM6472-6F is a power GaAs FET that is internally matched for standard communication bands to provide optimum power and gain in a 50 ohm system. Eudyna’s stringent Quality Assurance Program assures the highest reliability and consistent performance.
Parametrics
FLM6472-6F absolute maximum ratings : (1) Drain-Source Voltage : 15V; (2) Total Power Dissipation : 31.2W; (3) Storage Temperature : -65 to +175℃; (4) Channel Temperature : 175℃.
Features
FLM6472-6F features: (1)High Output Power: P1dB = 38.5dBm (Typ.); (2)High Gain: G1dB = 9.5dB (Typ.); (3)High PAE: ηadd = 37% (Typ.); (4)Low IM3 = -46dBc@Po = 27.5dBm; (5)Broad Band: 6.4 ~ 7.2GHz; (6)Impedance Matched Zin/Zout = 50Ω; (7)Hermetically Sealed Package.
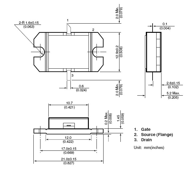
Diagrams

![]() |
![]() FLM6472-12F |
![]() Other |
![]() |
![]() Data Sheet |
![]() Negotiable |
|
||||
![]() |
![]() FLM6472-4F |
![]() Other |
![]() |
![]() Data Sheet |
![]() Negotiable |
|
||||
(China (Mainland))








