Product Summary
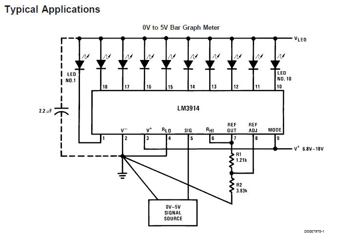
The LM3914N Dot/Bar display driver is a monolithic integrated circuit that senses analog voltage levels and drives 10 LEDs, providing a linear analog display. A single pin changes the display from a moving dot to a bar graph. Current drive to the LEDs is regulated and programmable, eliminating the need for resistors. This feature of LM3914N is one that allows operation of the whole system from less than 3V.
Parametrics
LM3914N absolute maximum ratings: (1)Power Dissipation Molded DIP (N): 1365 mW; (2)Supply Voltage: 25V; (3)Voltage on Output Drivers: 25V; (4)Input Signal Overvoltage: ±35V; (5)Divider Voltage: -100 mV to V+; (6)Reference Load Current: 10 mA; (7)Storage Temperature Range: -55℃ to +150℃; (8)Soldering Information Dual-In-Line Package Soldering (10 seconds): 260℃; (9)Plastic Chip Carrier Package: Vapor Phase (60 seconds): 215℃, Infrared (15 seconds): 220℃.
Features
LM3914N features: (1)Drives LEDs, LCDs or vacuum fluorescents; (2)Bar or dot display mode externally selectable by user; (3)Expandable to displays of 100 steps; (4)Internal voltage reference from 1.2V to 12V; (5)Operates with single supply of less than 3V; (6)Inputs operate down to ground; (7)Output current programmable from 2 mA to 30 mA; (8)No multiplex switching or interaction between outputs; (9)Input withstands ±35V without damage or false outputs; (10)LED driver outputs are current regulated, open-collectors; (11)Outputs can interface with TTL or CMOS logic; (12)The internal 10-step divider is floating and can be referenced to a wide range of voltages.
Diagrams

| Image | Part No | Mfg | Description | ![]() |
Pricing (USD) |
Quantity | ||||||||||||
|---|---|---|---|---|---|---|---|---|---|---|---|---|---|---|---|---|---|---|
![]() |
![]() LM3914N-1 |
![]() National Semiconductor (TI) |
![]() LED Lighting Drivers |
![]() Data Sheet |
![]()
|
|
||||||||||||
![]() |
![]() LM3914N-1/NOPB |
![]() National Semiconductor (TI) |
![]() LED Lighting Drivers DOT/BAR DISPLAY DRVR |
![]() Data Sheet |
![]()
|
|
||||||||||||
![]() |
![]() LM3914N |
![]() Other |
![]() |
![]() Data Sheet |
![]() Negotiable |
|
||||||||||||
(China (Mainland))










