Product Summary
The HD4825 is a relay. It delivers proven reliability in the most demanding applications. Output consists of an SCR AC switch and is available in zero-cross, random turn-on (phase controllable) and versions with either AC or DC input (coil) control.
Parametrics
HD4825 specifications: (1)Operating Voltage (47-63 Hz) [Vrms]: 48-530; (2)Max. Load Current [Arms]: 25; (3)Min. Load Current, [mArms]: 40; (4)Transient Overvoltage [Vpk]: 1200; (5)Max. Surge Current, (16.6ms) [Apk]: 250; (6)Max. On-State Voltage Drop @ Rated Current [Vpk]: 1.7; (7)Thermal Resistance Junction to Case (RθJC) [℃/W]: 1.02; (8)Maximum I2t for Fusing, (8.3 msec.) [A2sec]: 260; (9)Max. Off-State Leakage Current @ Rated Voltage [mArms]: 10; (10)Min. Off-State dv/dt @ Max. Rated Voltage [V/μsec]: 500; (11)Max. Turn-On Time: 1/2 Cycle (DC Input), 10.0 msec (AC Input); (12)Max. Turn-Off Time: 1/2 Cycle (DC Input), 40.0 msec (AC Input); (13)Power Factor (Min.) with Max. Load: 0.5.
Features
HD4825 features: (1)Zero Voltage and Random Turn-On Switching; (2)Panel Mount; (3)1200V Transient Capability; (4)Integrated Overvoltage Protection by Automatic Self Turn-On (Suffix P); (5)110 & 125A Models Available.
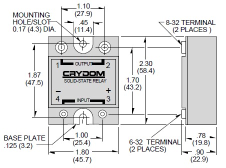
Diagrams

| Image | Part No | Mfg | Description | ![]() |
Pricing (USD) |
Quantity | ||||||||||||
|---|---|---|---|---|---|---|---|---|---|---|---|---|---|---|---|---|---|---|
![]() |
![]() HD4825-10 |
![]() Crydom |
![]() Solid State Relays PM IP00 SSR, 530VA C/25A, DC In, RN |
![]() Data Sheet |
![]()
|
|
||||||||||||
![]() |
![]() HD4825 |
![]() Crydom |
![]() Solid State Relays 25A 480VAC DC |
![]() Data Sheet |
![]()
|
|
||||||||||||
(China (Mainland))









