Product Summary
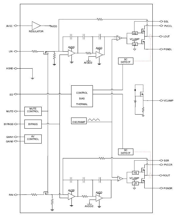
The TPA3122D2N is a stereo class-d audio power amplifier. The TPA3122D2N is a 15-W (per channel) efficient, Class-D audio power amplifier for driving stereo single ended speakers or mono bridge tied load. The TPA3122D2N can drive stereo speakers as low as 4Ω. The efficiency of the TPA3122D2N eliminates the need for an external heat sink when playing music. The gain of the amplifier is controlled by two gain elect pins. The gain selections are 20, 26, 32, and 6 dB.
Parametrics
TPA3122D2N absolute maximum ratings: (1)Supply voltage, AVCC, PVCC : -0.3 to 36 V; (2)Logic input voltage SD, MUTE, GAIN0, GAIN1 : -0.3 to VCC +0.3 -0.3 to VCC +0.3 V; (3)Analog input voltage RIN, LIN : -0.3 to 7 V; (4)Operating free-air temperature range : -40 to 85 ℃; (5)Operating junction temperature range : -40 to 150 ℃; (6)Storage temperature range : -65 to 150 ℃; (7)Load resistance (Minimum value) : 3.2 kV; (8)ESD Electrostatic Discharge Human body model (all pins) : ±2 kV; (9)Charged-device model (all pins) : ±500 V.
Features
TPA3122D2N features: (1)10-W/ch into an 4-Ω Load From a 17-V Supply; (2)15-W/ch into an 8-Ω Load From a 28-V Supply; (3)Operates from 10 V to 30 V; (4)Efficient Class-D Operation; (5)Four Selectable, Fixed Gain Settings; (6)Internal Oscillator (No External Components Required); (7)Single Ended Analog Inputs; (8)Thermal and Short-Circuit Protection with Auto Recovery Feature; (9)20-pin DIP Package.
Diagrams

| Image | Part No | Mfg | Description | ![]() |
Pricing (USD) |
Quantity | ||||||||||||
|---|---|---|---|---|---|---|---|---|---|---|---|---|---|---|---|---|---|---|
![]() |
![]() TPA3122D2N |
![]() Texas Instruments |
![]() Audio Amplifiers 15W STEREO CLASS-D AUDIO POWER AMP |
![]() Data Sheet |
![]()
|
|
||||||||||||
| Image | Part No | Mfg | Description | ![]() |
Pricing (USD) |
Quantity | ||||||||||||
![]() |
![]() TPA3000D1 |
![]() Other |
![]() |
![]() Data Sheet |
![]() Negotiable |
|
||||||||||||
![]() |
![]() TPA3000D1PWP |
![]() Texas Instruments |
![]() IC AUDIO POWER AMP 24-HTSSOP |
![]() Data Sheet |
![]() Negotiable |
|
||||||||||||
![]() |
![]() TPA3001D1 |
![]() Other |
![]() |
![]() Data Sheet |
![]() Negotiable |
|
||||||||||||
![]() |
![]() TPA3001D1EVM |
![]() Texas Instruments |
![]() Audio IC Development Tools TPA3001D1 Eval Mod |
![]() Data Sheet |
![]()
|
|
||||||||||||
![]() |
![]() TPA3001D1PWP |
![]() Texas Instruments |
![]() Audio Amplifiers Mono High Power Filter-Free Class-D |
![]() Data Sheet |
![]()
|
|
||||||||||||
![]() |
![]() TPA3001D1PWPG4 |
![]() Texas Instruments |
![]() Audio Amplifiers Mono High Power Filter-Free Class-D |
![]() Data Sheet |
![]()
|
|
||||||||||||
(China (Mainland))










