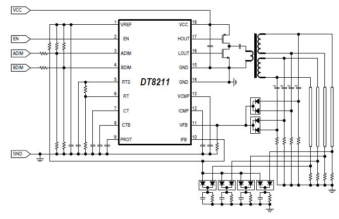
Product Summary
The DT8211A is a LCD backlight inverter controller for driving CCFL (Cold Cathode Fluorescent Lamp). It drives a half bridge topology symmetrically and provides a near sinusoidal current waveform. The DT8211A operates at a single-stage topology, constant frequency PWM (Pulse Width Modulation) mode. The MaxDuty technique achieves the maximum duty ratio of about 48% and hence can provide better efficiency. The applications of the DT8211A include LCD Backlight Inverter, EEFL Inverter, FFL Inverter, Advertisement Board.
Parametrics
DT8211A absolute maximum ratings: (1)Supply Voltage, VCC: 45 V; (2)Power Dissipation, PD: 1.9 W; (3)Operating Ambient Temperature, TA: -30 to +85℃; (4)Operating Junction Temperature, TJ: -30 to +150℃; (5)Thermal Resistance Junction to Ambient, θJA: 66.6℃/W; (6)Storage Temperature, TSTG: -40 to +125℃.
Features
DT8211A features: (1)High Efficiency Single Stage Power Conversion; (2)P- and N-channel MOSFET Driver Included; (3)Wide Input Supply Voltage Range from 7.5V to 45V; (4)Maximum Duty ratio of 48%; (5)Extremely Low Number of External Components; (6)Extremely Small Size of Board; (7)Constant Frequency PWM Operation; (8)High Precision Oscillator; (9)Analog and Burst Dimming Function Simultaneously; (10)Analog Dimming Polarity Selectable; (11)Burst Dimming Polarity Selectable; (12)Open Lamp Protection Circuit Included; (13)Output Short Circuit Protection Circuit Included; (14)18 Pin SOPW.
Diagrams

(China (Mainland))






